Victron Smart BMS CL 12-100 to MultiPlus Cable
Victron Smart BMS CL 12-100 to MultiPlus Connection Cable
Enhance Your Energy System's Efficiency with the Victron Connection Cable
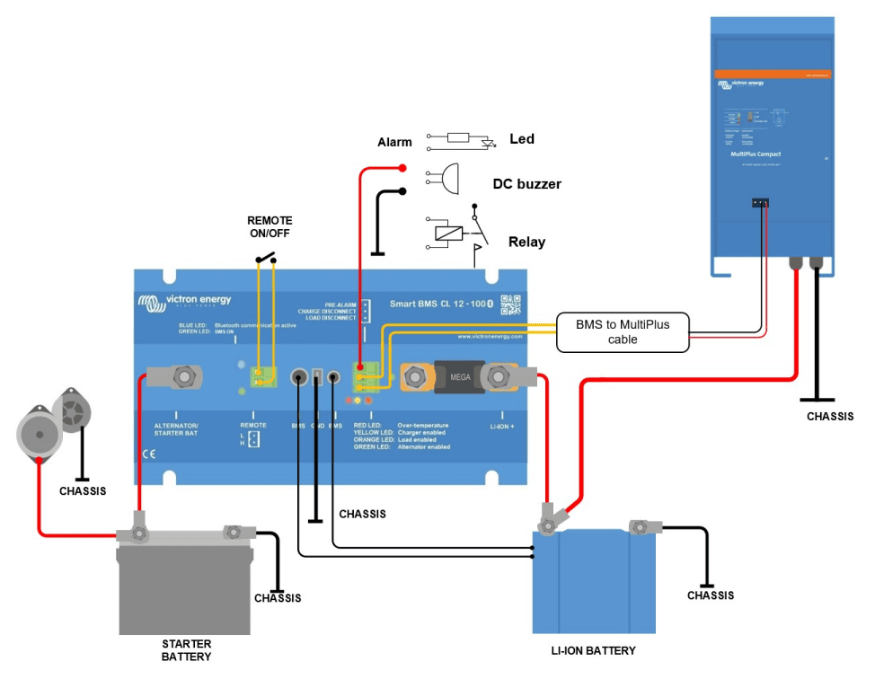
Unlock seamless integration between your Victron MultiPlus inverter/chargers and BMS units lacking a VE.Bus interface with the Victron Smart BMS CL 12-100 to MultiPlus Cable. Designed to bridge the gap between advanced battery management systems like the Smart BMS CL 12-100, smallBMS, and MultiPlus inverter/chargers ranging from 500VA to 2kVA, this cable is your solution to a harmonized energy system.
Key Features and Compatibility:
- Broad Compatibility: Compatible with MultiPlus 500VA – 1600VA, MultiPlus Compact 800VA – 2kVA, and MultiPlus-II models, this cable facilitates control over your energy system through Load/Charge Disconnect and Load/Charger outputs.
- Easy Installation: Detailed wiring instructions for each MultiPlus model ensure a hassle-free setup. Connect the black wire to specified terminals for on/off functionality and the red wire to the positive terminals, tailoring the connection to the specific model of your MultiPlus.
- Operational Efficiency: The Smart BMS CL 12-100 and smallBMS units require a 'High' state on their Load/Charge Disconnect and Load/Charger outputs, respectively, for the MultiPlus to function optimally. This ensures your energy system remains operational and efficient, even after a shutdown due to low battery voltage.
Revitalize Your System: After a low-voltage shutdown, simply run an alternator or connect a battery charger to the BMS's primary side to reset your system. The MultiPlus will automatically turn on and commence charging when connected to an AC power source, ensuring your system's reliability and longevity.
Your Gateway to Advanced Energy Management: The Victron Smart BMS CL 12-100 to MultiPlus Cable is more than just a connection; it's a vital component for integrating sophisticated battery management systems with your Victron MultiPlus setup. Whether you're upgrading your RV, boat, or off-grid energy system, this cable ensures your components work in unison for optimal performance.
Upgrade your energy system with the Victron Smart BMS to MultiPlus Cable today and experience unparalleled efficiency and control over your power management.
Visit Victron's Official BMS Smart BMS CL Cable Webpage for More Details
(ASS070200100)
| SKU | VIC-ASS070200100 |
| Barcode # | 8719076051183 |
| MPN # | ASS070200100 |
About Victron Energy Markets
Automotive
The automotive market comprises a broad range of applications requiring a reliable power supply. In vehicles such as fire engines, ambulances and police cars a human life may depend on an autonomous system. So it is vital that all systems function flawlessly. Victron Energy offers you such an answer. We are proud to offer you our modern translation for freedom and independence. Energy. Anytime. Anywhere.
Read Victron's Automotive Brochure
Off-Grid and Backup
The presence of a functional electricity grid is not always as obvious as it would seem to be. An insufficient infrastructure is often the cause for an unreliable grid. Things become even more difficult when there is no grid at all. And yet you are in need of a reliable electricity supply. A local and properly functioning system is the only answer at this point. Victron Energy offers you such an answer. We are proud to offer you our modern translation for freedom and independence. Energy, Anytime, Anywhere
Read Victron's Off-Grid and Backup Brochure
Marine
Whether you’re going on a short fishing trip or planning to sail across the ocean, you’ll need reliable power to enjoy your adventure to the fullest. But at Victron we believe reliability isn’t enough. We believe in Optimal Energy instead. In our view, a boat needs an intelligent power grid that adapts to any challenges you may encounter. With unparalleled reliability, without effort and at great value for money. That’s what we call Optimal Energy.
Read Victron's Marine Brochure
Energy Storage
As more solar and wind power comes on line, it becomes increasingly difficult and expensive, to ensure stability of the grid. Intermediate energy storage is therefore rapidly becoming an essential tool to keep power fluctuations on the grid within manageable limits. Moreover, as feed-in tariffs are decreasing, the business case for a home energy storage system that increases self-consumption becomes more solid every day. Intermediate energy storage increases self-consumption of harvested solar and/or wind power. The natural next step is 100% self-consumption and independence from the grid.
Read Victron's Off-Grid and Backup Brochure
Read the Victron Wiring Guide - Wiring Unlimited
Download the VictronConnect App Here
Helpful Victron Videos
Did You Know - Choosing the right MPPT for your solar by using our calculator
How to not blow up your Alternator when charging a Lithium Battery with a DC-DC Charger
Victron Energy Limited Warranty Policy
Victron Energy warrants its products to be free from defects in workmanship and materials for a period of 5 years from the date of purchase by the end user, with a maximum of 66 months from the Victron Energy invoice date. Exceptions on this are: lead acid batteries; 2 years from date of purchase by the end user, with a maximum of 30 months from the Victron Energy invoice date, Lithium-ion batteries; 3 years from date of purchase by the end user. In addition to this proof of correct battery usage is required when making a battery warranty claim.
During this period, Victron Energy will, at its option, repair or replace the defective product free of charge. The warranty does not include performing or reimbursing de‐installation, transportation and re‐installation. This warranty will be considered void if the unit has suffered any physical damage or alteration, either internally or externally, and does not cover damages arising from improper use like:
• Reverse of battery polarity.
• Inadequate connection.
• Mechanical shock or deformation.
• Contact with liquid or oxidation by condensation.
• Use in inappropriate environment (dust, corrosive vapor, humidity, high temperature, biological infestation...).
• Breakage or damage due to lightning.
• Connection terminals and screws destroyed or other damages, like overheat, due to insufficient tightening.
• For any electronical breakage except due to lightning (reverse polarity, over‐voltage due to external cause), the state ofthe internal control diode and of the inputs/output X and Y capacitors determine the warranty.
This warranty will not apply where the product has been misused, neglected, improperly installed, or repaired by anyone else than Victron Energy or one of its authorized Qualified Service Partners. In order to qualify for the warranty, the product must not be disassembled or modified.
Repair or replacement are our sole remedies and Victron Energy shall not be liable for damages, whether direct, incidental,special, or consequential, even caused by negligence or fault.
Victron Energy owns all parts removed from repaired products. Victron Energy uses new or reconditioned parts made by various manufacturers in performing warranty repairs and building replacement products. If Victron Energy repairs or replaces a part of a product, its warranty term is not extended. In case of replacement the new component has a warranty of 6 months, without effect on the initial warranty period. All remedies and the measure for damages are limited to the above. Victron Energy shall in no event be liable for consequential, incidental, contingent orspecial damages, even if having been advised of the probability of such damages. Any and all other warranties expressed or implied arising by law, course of dealing, course of performance, usage of trade or otherwise, including but not limited to implied warranties of merchantability and fitness for a particular purpose, are limited in duration to a period of two (2) years from the date of purchase.
Life Support Policy
As a general policy, Victron Energy, does not recommend the use of any of its products in life support applications where failure or malfunction of the Victron Energy's product can be reasonably expected to cause failure of the life support device or to significantly affect its safety or effectiveness. Victron Energy does not recommend the use of any of its products in direct patient care. Victron Energy will not knowingly sell its products for use in such applications unless it receives in writing assurances satisfactory to Victron Energy that the risks of injury or damage have been minimized, the customer assumes all such risks, and the Liability of Victron Energy is adequately protected under the circumstances.
As a product requires service, it must be brought back to the place of purchase. In case no contact can be taken with the merchant, or if he is either unable or not allowed to provide service, direct contact should be taken with Victron Energy.
Warranty on Repairs
The warranty period on products or on printed circuits boards repaired by Victron Energy as well as on printed circuit boards for replacement is 6 months from delivery by Victron Energy.
Transport
It is the responsibility of the sender to sufficiently package these products. The transport must be organized in a way to avoid any damage, especially when a single unit or heavy unit is sent.
Severability
If a part of the terms and conditions set out above is held invalid, void or unenforceable due to any particular national or international legislation, it shall not affect other parts of the terms and conditions remaining.
For Australia only
Our goods come with guarantees that cannot be excluded under the Australian Consumer Law. You are entitled to a replacement or refund for a major failure and compensation for any other reasonably foreseeable loss or damage. You are also entitled to have the goods repaired or replaced if the goods fail to be of acceptable quality and the failure does not amount to a major failure.







